【產品介紹】LTC6811-1 集成菊花鏈接口的第四代12通道多電池芯監控器

產品介紹

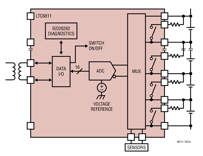
LTC®6811 是一款多節電池組監視器,可測量多達 12 節串聯的電池芯,總測量誤差小於 1.2mV。0V 至5V 的電池測量範圍使得 LTC6811 適合於大多數電池化學物質。本裝置可在290μs時間內將所有12個電池芯量測完畢,且可選擇用較低的數據採集速率,以提高降噪效率。

多個 LTC6811 可以串聯方式,針對較長的高壓電池串進行監控。每個 LTC6811 都具有一個 isoSPITM 介面,進行可耐受射頻影響的高速遠距離通信。利用 LTC6811-1時,可用所有裝置的同一台主機處理器,將多個裝置以菊花鏈形式連接。使用 LTC6811-2時,多個裝置可並聯到主機處理器,且每個裝置都能使用不同位址。

LTC6811 可直接由電池堆或獨立供電。LTC6811 內含各電池芯的被動平衡功能,且提供每個電池芯單獨的 PWM 工作週期控制。其他功能還包括一個內建的5V穩壓器、5 條通用I/O 線路,和可將耗電量降到4μA的睡眠模式。

應用

 

  • EV及油電混合車

  • 電網能源儲存、ESS

  • Backup備用電池系統

  • 高功率攜帶式裝備

優勢特點

 

  • 相容於LTC6804腳位,可直接升級

  • 可測量最多12個串聯的電池芯

  • 1.2 mV最高總測量誤差

  • 適用於高壓系統的可堆疊架構

  • 內建isoSPI介面

    • 1Mb隔離序列通訊

    • 使用單條雙絞線,最長100公尺

    • 低EMI敏感性和I輻射

  • 只需290 µs即可測量系統內所有電池芯

  • 同步測量電流及電壓

  • 含可程式三階雜訊濾波器的16-bit ΔΣ ADC

  • 專為ISO 26262標準系統所設計

  • 採用可程式設計計時器的被動電池平衡

  • 5個通用型數位I/O或類比輸入

    • 溫度或其他感測器輸入

    • 可設定為I2C或SPI主控

  • 4μA睡眠模式供應電流

  • 48導線SSOP封裝

  • 符合AEC-Q100標準,適合汽車相關應用


聯繫我們

ADI所有產品請洽【 安馳科技 】
安馳科技|ADI亞德諾半導體網站:https://anstekadi.com
安馳科技 LINE 官方帳號:https://lin.ee/5gcKNi7
安馳科技 Facebook 官方帳號:https://www.facebook.com/ANStek3528
申請樣品與技術支援:https://www.surveycake.com/s/dQ3Y2 
與我聯絡:marketing@anstek.com.tw