摘要
電池監控系統是不同市場的基本促進因素。電池在各種應用中都發揮著重要作用,包括在電動汽車領域取得更大的成就,為智慧電網儲存再生能源。相同和類似的電池技術用於醫療器械,可提高手術的安全性,並在醫院自由移動器械。所有這些應用都使用需要精確、高效半導體來進行監控、平衡、保護和通訊的電池供電。本文將介紹一流的電池監控系統(包括電池平衡和隔離通訊網絡)如何利用新鋰電池化學的優勢。使用創新集成電路可提高可靠性,延長30%的電池使用壽命,特別是大規模儲能系統。
用於醫療應用的電池需要在通常使用這些電池的所有應用中滿足非常高的可靠性、效率和安全標準,這些應用包括:胸部按壓系統等患者可攜式系統、醫院急診室設備、供電式醫療車和床、可攜式超聲設備、遠程監控以及市場上的新產品儲能系統(ESS)。
儲能系統既不與患者直接相連,也不由醫生操作。它們是不間斷電源(UPS)的升級。UPS歷來被用作最關鍵應用的備用電源,如急診室設備、IT網絡關鍵基礎設施。醫院的儲能系統涵蓋越來越多的功能,由新鋰電池供電。它們正與醫院電網完全集成,從而帶來以下優勢:
-
用於整個設施而不僅僅是一小部分關鍵設施的完整備用電源,以及停電保護,防止電網的電源/電壓質量不良,減少使用應急柴油發電機。借助千兆瓦小時(MWh)規模的ESS,醫院甚至可以在長時間停電的情況下做手術,並且可以參與電網穩定。
-
電費開支的經濟效益。借助ESS,醫院可以直接控制電力使用配置,並減少高功率峰值需求,從而降低水電費。
醫院的屋頂通常很大,適用於安裝光伏(PV)系統來發電。PV系統與ESS相結合可儲存並自用發出的電,同時提供經濟效益,減少碳排放量。

圖1. 儲能電池單元。
鋰基化學現在是各種市場中使用的電池的先進技術,包括汽車市場、工業市場和醫療健康市場。不同類型的鋰電池有不同的優勢,可更好地滿足各種應用和產品設計的電源需求。例如, LiCoO 2(鈷酸鋰)具有極高的比能,非常適合可攜式產品; LiMn 2 O 4鋰錳氧化物)的內阻很低,因此充電快,電流放電也大,這意味著它是調峰儲能應用的理想選擇。LiFePO 4(磷酸鐵鋰)更能承受完全充電狀況,並能長時間保持在高電壓下。這使其成為需要在停電期間工作的大型儲能系統的較佳選擇。缺點是自放電速率較高,但這在上述儲存實施中無關緊要。
不同應用需求需要各種電池類型。例如,汽車應用需要高可靠性和良好的充電與放電速度,而醫療健康應用需要高峰值電流可持續性,以提高效率和延長壽命。但是,所有這些解決方案的共同點是,各種鋰化學組成在標稱電壓範圍內都有非常平坦的放電曲線。而在標準電池中,壓降範圍為500 mV至1 V,在高級鋰電池中,如磷酸鐵鋰(LiFePO 4 ) 或鈷酸鋰(LiCoO 2 ), 放電曲線則顯示一個壓降範圍為50 mV至200 mV的平坦區。

圖2. 鋰電池放電曲線。
電壓曲線的平坦度在與電池電壓軌相連的IC的電源管理鏈中具有巨大優勢:可設計DC-DC轉換器在較小的輸入電壓範圍內在最大效率點工作。從已知V IN轉換為非常接近的V OUT ,系統的電源鏈可設計為具有降壓和升壓轉換器的理想佔空比,以在所有工作條件下實現99%的效率。此外,電池充電器可完美匹配充電電壓,並根據穩定的工作電壓來確定負載大小,以提高遠程監控或患者體內電子產品等最終應用的精度。在舊的化學組成或非平坦放電曲線的情況下,由電池操作的DC-DC轉換的效率降低,這將導致電池持續時間更短(-20%),或者當連接到可攜式醫療設備時,由於額外的功耗,需要更頻繁地給它們充電。
平坦放電曲線的主要缺點是電池的充電狀態(SOC)和健康狀態(SOH)額定值更難確定。必須以非常高的精度計算SOC,以確保電池正確充電和放電。過度充電會帶來安全問題,並產生化學降解和短路,導致火災和氣體危害。過度放電可能損壞電池,使電池壽命縮短50%以上。SOH提供有關電池性能狀態的訊息,以幫助防止更換掉好的電池,並在出現問題之前監控壞電池的狀態。主微控制器實時分析SOC和SOH數據,修改充電算法,告知用戶電池的電位(例如,在斷電情況下,電池是否準備好進行大電流深度放電),以及確保在大型儲能系統中,處於不良狀態的電池和處於良好狀態的電池之間實現平衡,以增加總電池壽命。
透過用陡峭的放電曲線對一個很舊的電池進行數字建模,更容易計算出該電池的充電狀態,方式是測量短時間內的壓降增量並知道電池電壓的絕對值。對於新的鋰基電池,進行這種測量所需的精度要高出幾個數量級,因為在給定的時間範圍內,壓降要小得多。
對於SOH,舊電池放電更快,且可預測性更強:它們的電壓放電曲線變得更加陡峭,無法達到目標充電電壓。新鋰電池將更長時間地保持相同的良好行為,但最終會隨著更特殊的行為而降低性能,並且在它們的壽命即將終結或電池即將損壞時快速改變其阻抗和放電曲線。測量溫度時必須格外小心,最好是在每一節電池上,將SOC和SOH算法與這些訊息整合,以使它們更準確。
精確且可靠的SOC和SOH計算在最好的情況下有助於將電池壽命從10年延長到20年,一般情況下也能使電池壽命增加30%,包括維護費用後,這會將儲能系統的總擁有成本降低30%以上。再加上更準確的SOC訊息,就可以避免過度充電或過度放電的情況而導致快速耗盡電池;最大限度地降低短路、火災和其他危險情況的可能性;幫助使用電池中的所有電量;並使電池能夠盡可能以最好、最高效的方式充電。
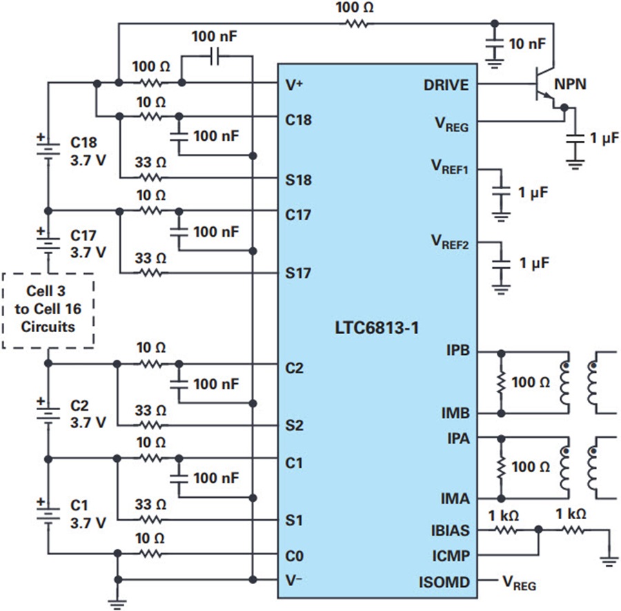
本文提出的LTC6813電池管理解決方案(BMS)可用於可攜式超聲設備等醫療健康設備、大規模(千兆瓦/小時)儲能系統(用於醫院、工廠、電網穩定、電動汽車充電基礎設施和住宅單元),以及工業機器人和車輛。ADI技術的可攜性在可靠性和安全性方面帶來了巨大優勢,它設計用於不同的惡劣環境,並且符合從汽車ASIL到工業SIL的各種功能安全標準(例如,VDE AR 2510-2/-50、IEC EN 61508等)。

圖3. LTC6813應用原理圖。
一種具有最高效且可靠的電池監控系統的獨特新解決方案包含一個18單元監控器和平衡IC與微控制器到SPI從隔離接口的組合。多單元電池堆疊監控器可測量多達18個串聯的電池單元,總測量誤差小於2.2 mV。0 V至5 V的電池測量範圍適合大多數電池化學應用。可在290 μs內測量所有18個電池單元,並選擇較低的數據採集速率以便降噪。可將多個堆疊監控器件串聯,以便同時監控很長的高壓電池串。每個堆疊監控器都具有iso SPI ™接口,用於高速、RF抗擾、遠距離通訊。多個器件以菊花鏈形式連接,並為所有器件連接一個主機處理器。該菊花鏈可雙向操作,即使通訊路徑出錯,也能確保通訊完整性。電池堆疊可直接為IC供電,也可採用隔離電源為其供電。IC具有用於每個電池單元的被動式平衡和個別PWM佔空比控制功能。其他特性包括一個板載5 V調節器、9個通用I/O線路和睡眠模式(在此模式下,功耗降至6 μA)。
BMS應用具備短期和長期精度需求,因此使用嵌入式齊納轉換基準電壓源而非帶隙基準電壓源。這能夠提供穩定的低漂移(20 ppm/√ kHr ), 低溫度係數(3 ppm/°C)、低遲滯(20 ppm)原邊電壓基準源以及出色的長期穩定性。這種精度和穩定性至關重要,它是所有後續電池單元測量的基礎,這些錯誤對所獲數據的可信度、算法一致性和系統性能會產生累積影響。
雖然高精度基準電壓源是確保卓越性能的必要功能,但光憑該功能還不夠。模數轉換器架構及其操作必須符合電噪聲環境要求,這是系統大電流/電壓逆變器的脈寬調製(PWM)瞬態特性的結果。準確評估電池的充電狀態和工作狀態還需要相關的電壓、電流和溫度測量。
堆疊監控轉換器使用∑-∆拓撲結構在系統噪聲影響BMS性能之前降低噪聲,該拓撲由六個用戶可選擇的濾波器選項輔助來解決噪聲環境。通過每次轉換使用多次採樣的天然特性,以及採用均值濾波功能,∑-∆方法降低了電磁干擾(EMI)和其他瞬態噪聲的影響。
在任何使用排列為電池單元或模塊組的大型電池包的系統中,都不可避免地需要實現電池平衡,例如用於為醫院微型電網和子電網供電的大型儲能單元。雖然大多數鋰電池在首次獲取時匹配良好,但會隨著老化損失容量。不同電池的老化過程出於多種因素可能各有不同,如電池組溫度梯度。使這整個過程加劇的是,超過SOC上限工作的的電池單元將過早老化,並損失額外容量。這些容量差異以及自放電和負載電流的小差異都會導致電池不平衡。
為了解決電池不平衡問題,堆疊監控器IC直接支持被動式平衡(使用用戶可設置的計時器)。被動式平衡是在電池充電週期內標準化所有電池的SOC的簡單、低成本方法。通過從較低容量的電池中移除電荷,被動式平衡可確保這些較低容量的電池不會過度充電。IC也可用於控制主動平衡,這是一種更複雜的平衡技術,通過充電或放電循環在電池之間傳輸電荷。
無論是使用主動方法還是被動方法,電池平衡都依賴於高測量精度。隨著測量誤差越來越大,系統所建立的操作保護等級也必須增加,因此平衡性能的有效性將受到限制。此外,由於SOC範圍受到限制,對這些誤差的靈敏度也增加了。小於1.2 mV 的總測量誤差在電池監控系統的系統級要求範圍內。
在儲能系統中,要連接所有電池單元,通訊環路是必不可少的。該環路將來自系統電池的數據傳送到基於雲的能量管理算法,該算法跟踪充電和放電事件以確定充分利用電池的較佳方式,或者在斷電的情況下保持最高容量的電池完全充電。
ADI的LTC681x和LTC680x系列代表一流的電池堆疊監控器。18通道版本為LTC6813。
T電池堆疊監控器設備需要與主機通訊,在此期間微控制器或處理器計算SOC和SOH值並調節充電和放電配置。可以進行各種形式的互連,其中隔離通訊通道是高電壓應用的首選,如儲能系統(400 V至1500 V)和具有高容量電池的可攜式設備(40 V至200 V)。
內置在LTC6813電池堆疊監控器中的iso SPI 功能,與LTC6820 iso SPI通訊接口結合使用時,可通過高壓屏障實現安全可靠的訊息傳輸。iso SPI在通過串聯電池產生數百伏電壓的儲能系統中特別有用,串聯電池需要全電介質隔離以最大限度地減少對人員的傷害。

圖4. LTC6813與LTC6820的隔離連接
在這些使用超過18個電池的儲存系統中,需要將多個LTC6813BMS板連接在一起。下面是多個相同PCB的可靠互連,每個PCB都包含一個為在菊花鏈中操作而配置的LTC6813。微處理器位於單獨的PCB上。為實現微處理器PCB和首個LTC6813 PCB之間的2線隔離,使用了LTC6820支持IC。當只需要一個LTC6813-1時,如果第二個iso SPI端口(端口B)正確偏置和端接,則可將其用作單一(非菊花鏈)器件。
具有平衡和通訊功能的電池堆疊監控器的主要設計挑戰是創建無噪聲PCB佈局設計,且關鍵走線遠離開關電源等噪聲源,向堆疊監控器發出清晰的訊號。採用ADI解決方案,堆疊監控器出色的準確度和精度有助於優化現有的良好設計。電池將得到有效利用,使用壽命將延長30%,並且操作更安全。
為了支持客戶設計自己的最終產品,ADI為電池監控設備提供了全系列評估系統和平台,以及滿足所有需求的完整版本組合。
作者

Stefano Gallinaro
Stefano Gallinaro於2016年加入ADI公司可再生能源事業部。他負責管理太陽能、電動汽車充電和儲能相關戰略營銷活動,同時特別關注功率變換。其工作地點為慕尼黑,業務職責遍及全球。Stefano在意大利都靈理工大學(BS)學習電子工程。他的職業生涯始於意大利奧斯塔,意法半導體公司,擔任應用工程師。加入ADI之前,Stefano還曾在德國安達赫治Vincotech GmbH公司擔任產品營銷經理。
聯繫我們
ADI 所有產品請洽【 安馳科技 】
安馳科技|ADI亞德諾半導體網站:https://anstekadi.com
安馳科技 LINE 官方帳號:https://lin.ee/5gcKNi7
安馳科技 Facebook 官方帳號:https://www.facebook.com/ANStek3528
安馳科技EDM訂閱 https://anstekadi.com/Home/EDM
申請樣品與技術支援:https://www.surveycake.com/s/dQ3Y2
與我聯絡:Marketing.anstek@macnica.com