【產品介紹】MAX13412E內建低壓差穩壓器及AutoDirection控制的RS-485收發器

產品介紹

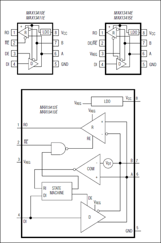
MAX13410E–MAX13415E是半雙工兼容RS-485/RS-422的收發器,為優化隔離應用而優化。 這些元件提供一個內部低壓差穩壓器(LDO)、一路驅動器和一路接收器。 內部LDO使元件可以工作在高達28V的非穩壓電源。 AutoDirection功能減少了隔離應用中需要的光隔離器數量。 其他特性包括增強型的ESD保護、失效保護電路、壓擺率限制和全速工作。


MAX13410E–MAX13415E內部LDO產生5V ±10%的電源電壓,為內部電路供電。 MAX13412E–MAX13415E將5V輸出至VREG,可為其他的外部電路提供高達20mA驅動能力,進一步減少了外部器件。 MAX13410E/MAX13411E沒有5V輸出,提供工業標準的引腳排列,很容易替代現有設計中的元件。


MAX13410E–MAX13415E具有1/8單位負載接收器輸入阻抗,允許多達256個收發器掛接在匯流排上。 所有驅動器輸出提供人體放電模型(HBM)的ESD保護。 這些元件還包括失效保護電路(僅MAX13410E/MAX13411E/MAX13414E/MAX13415E),在接收器輸入開路或短路時確保輸出邏輯高電平。 當掛接在匯流排上的所有發送器均被禁止(高阻態)時,接收器輸出邏輯高電平。


MAX13412E/MAX13413E提供Maxim專有的AutoDirection控制。 這種架構省去了DE和/RE控制信號。 在隔離應用中,該架構減少了所需光電隔離器的數量,從而降低了成本,減小了系統的尺寸。


MAX13410E/MAX13412E/MAX13414E提供降低擺率的驅動器,大大減小EMI和不恰當的電纜端接所引起的反射,實現500kbps的無誤碼數據傳輸。 MAX13411E/MAX13413E/MAX13415E驅動器不提供擺率限制,可提供高達16Mbps的傳輸速率。


MAX13410E–MAX13415E提供8引腳SO封裝,具有裸焊盤以提高功率耗散。 元件工作於-40°C至+85°C溫度範圍。

 

應用

  • 工業設備

  • 隔離式RS-485介面

  • 通訊設備

  • 電表

優勢和特點

  • +6V至+28V寬輸入電源範圍

  • +5V輸出,可向外部電路提供高達20mA電流

  • 內部LDO

  • 低至65μA (典型)關閉電源電流

  • 擴展的ESD保護

    • ±15kV人體放電模型(MAX13412E/MAX13413E)

    • ±14kV人體放電模型(MAX13410E/MAX13411E)

  • 1/8單元負載,允許多達256個收發器掛接在一個總線上

  • -40°C至+85°C工作溫度範圍

  • 失效保護

  • 壓擺率限制和高速兩種版本

  • 全速版本數據速率可高達16Mbps 


聯繫我們

ADI所有產品請洽【 安馳科技 】
安馳科技|ADI亞德諾半導體網站:https://anstekadi.com
安馳科技 LINE 官方帳號:https://lin.ee/5gcKNi7
安馳科技 Facebook 官方帳號:https://www.facebook.com/ANStek3528
申請樣品與技術支援:https://www.surveycake.com/s/dQ3Y2 
與我聯絡:marketing@anstek.com.tw